Four double-A (AA) rechargeable batteries
In science and technology, a battery is a device that stores energy and makes it available in an electrical form.
Construction[]
Batteries consist of electrochemical devices such as one or more galvanic cells (or, more recently, fuel cells).
The earliest known artefacts that may have been batteries are the Baghdad Batteries, from some time between 250 BCE and 640 CE. The modern development of batteries started with the Voltaic pile developed by the Italian physicist Alessandro Volta in 1800.
Cell vs. battery[]
Strictly, an electrical "battery" is an interconnected array of one or more similar "cells". That distinction, however, is considered pedantic in most contexts (other than the expression dry cell), and in current English usage it is more common to call a single cell used on its own a battery than a cell. For example, a hand lamp (flashlight) (torch) is said to take one or more "batteries" even though they may be D cells. A car battery is a true "battery" because it uses multiple cells. Multiple batteries or cells may also be refered to as a battery pack, such as a set of multi-cell 12 V batteries in an electric vehicle.
Electrical component[]
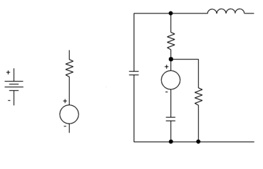
Circuit symbol for a battery; simplified electrical model; and more complex but still incomplete model (the series capacitor has an extremely large value and, as it charges, simulates the discharge of the battery).
Connections[]
The cells in a battery can be connected in parallel, series, or in both. A parallel combination of cells has the same voltage as a single cell, but can supply a higher current (the sum of the currents from all the cells). A series combination has the same current rating as a single cell but its voltage is the sum of the voltages of all the cells. Most practical electrochemical batteries, such as 9 volt flashlight (torch) batteries and 12 V automobile (car) batteries, have a series structure. Parallel arrangements suffer from the problem that, if one cell discharges faster than its neighbour, current will flow from the full cell to the empty cell, wasting power and possibly causing overheating. Even worse, if one cell becomes short-circuited due to an internal fault, its neighbour will be forced to discharge its maximum current into the faulty cell, leading to overheating and possibly explosion. Cells in parallel are therefore usually fitted with an electronic circuit to protect them against these problems.
In both series and parallel types, the energy stored in the battery is equal to the sum of the energies stored in all the cells.
Characteristics[]
A battery can be simply modelled as a perfect voltage source (i.e. one with zero internal resistance) in series with a resistor. The voltage source depends mainly on the chemistry of the battery, not on whether it is empty or full. When a battery runs down, its internal resistance increases. When the battery is connected to a load (e.g. a light bulb), which has its own resistance, the resulting voltage across the load depends on the ratio of the battery's internal resistance to the resistance of the load. When the battery is fresh, its internal resistance is low, so the voltage across the load is almost equal to that of the battery's internal voltage source. As the battery runs down and its internal resistance increases, the proportion of its internal voltage that gets through the internal resistance to appear at the load gets smaller, so the battery's ability to deliver power to the load decreases.
Battery concepts[]
Battery capacity[]
The capacity of a battery to store charge is often expressed in ampere hours (1 A·h = 3600 coulombs). If a battery can provide one ampere (1 A) of current (flow) for one hour, it has a real-world capacity of 1 A·h. If it can provide 1 A for 100 hours, its capacity is 100 A·h. Because of the chemical reactions within the cells, the capacity of a battery depends on the discharge conditions such as the magnitude of the current, the duration of the current, the allowable terminal voltage of the battery, temperature, and other factors.
Battery manufacturers use a standard method to determine how to rate their batteries. The battery is discharged at a constant rate of current over a fixed period of time, such as 10 hours or 20 hours, down to a set terminal voltage per cell. So a 100 ampere-hour battery is rated to provide 5 A for 20 hours at room temperature. The efficiency of a battery is different at different discharge rates. When discharging at low rate, the battery's energy is delivered more efficiently than at higher discharge rates. This is Peukert's Law.
Battery lifetime[]
Disposable alkaline batteries are designed to be used only once. Even if never taken out of the original package, disposable (or "primary") batteries can lose two to twenty-five percent of their original charge every year, depending heavily on temperature. This is known as the "self discharge" rate and is due to chemical reactions that occur within the cell even if no load is applied to it.
Many people believe that storing batteries at cool temperatures, such as in the refrigerator, reduces the rate of these side reactions and extends the storage life of the battery—this may have been true in the past with older technology batteries. Modern batteries should be stored in a dry place and at normal room temperatures. Also, some brands of batteries (like Duracell or Energizer) will provide dependable long life even after 5 years of storage in these conditions.
Extreme temperatures also reduce battery performance.
Some information on caring and disposing of alkaline batteries can be read here and here.
Rechargeable batteries self-discharge more rapidly than disposable alkaline batteries. In fact, they can self-discharge up to three percent a day (again, depending on temperature). Due to their poor shelf life, they shouldn't be left in a drawer and then relied upon to power a flashlight or a small radio in an emergency. For this reason, it’s a good idea to keep a few alkaline batteries on hand. In fact, Ni-Cd Batteries are almost always "dead" when you get them, and need to be charged before first use.
With the exception of lead-acid batteries, most Ni-MH batteries can be recharged 500-1000 times while Ni-Cd batteries can only be recharged about 400 times.
Special "reserve" batteries intended for long storage in emergency equipment or munitions keep the electrolyte of the battery separate from the plates until the battery is activated, allowing the cells to be filled with the electrolyte. Shelf times for such batteries can be years or decades. However, their construction is more expensive than more common forms.
Terms used for automobile battery power ratings[]
- see Car battery
Battery explosion[]
Under extreme conditions, certain types of batteries can explode. A battery explosion is usually caused by the misuse or malfunction of a battery (such as the recharging of a non-rechargeable battery or shorting a car battery).
With car batteries, explosions are most likely to occur when a short circuit generates very large currents. A short circuit malfunction in a battery placed in parallel with other batteries ("jumped") can cause its neighbour to discharge its maximum current into the faulty cell, leading to overheating and possible explosion. In addition, car batteries liberate hydrogen when they are overcharged (because of electrolysis of the water in the electrolyte). Normally the amount of overcharging is very small and so is the amount of explosive gas developed, and the gas dissipates quickly. However, when "jumping" a car battery, the high current can cause the rapid release of large volumes of hydrogen, which could be ignited by a spark nearby (for example, when removing the jumper cables).
When a non-rechargeable battery is recharged at a high rate, an explosive gas mixture of hydrogen and oxygen may be produced faster than it can escape from within the walls of the battery, leading to pressure build-up and a possible explosion. In extreme cases, the battery acid may spray violently from the casing of the battery and cause injury.
Additionally, disposing of a battery in fire may cause an explosion as steam builds up within the sealed case of the battery.
Overcharging, which is charging a battery beyond its electrical capacity, can also lead to a battery explosion, leakage, or irreversible damage to the battery. It may also cause damage to the charger or device in which the overcharged battery is later used.
Common battery types[]
Rechargeable and disposable batteries[]
Various batteries(clockwise from bottom left): two 9-volt, two "AA", one "D", a cordless phone battery, a camcorder battery, a 2-meter handheld ham radio battery, and a button battery, one "C" and two "AAA" plus, a U.S. quarter, for scale
From a user's viewpoint, at least, batteries can be generally divided into two main types—rechargeable and non-rechargeable (disposable). Each is in wide usage.
Disposable batteries, also called primary cells, are intended to be used once, until the chemical changes that induce the electrical current supply are complete, at which point the battery is discarded. These are most commonly used in smaller, portable devices with either low current drain, only used intermittently, or used well away from an alternative power source. Primary cells can be recharged with varying degrees of success using a specialised charging technique called periodic current reversal which is a form of biased AC (i.e. alternating current with a DC offset) However battery manufacturers don't recommend attempting to recharge primary cells (cynics claim this is for commercial motives) and claim that conventional DC charging of primary cells can present dangers of leakage, overheating and even explosion.
By contrast, rechargeable batteries or secondary cells can be re-charged after they have been drained. This is done by applying externally supplied electrical current which causes the chemical changes that occur in use to be reversed. Devices to supply the appropriate current are called chargers or rechargers.
The oldest form of rechargeable battery still in modern usage is the "wet cell" lead-acid battery. This battery is notable in that it contains a liquid in an unsealed container, requiring that the battery be kept upright and the area be well-ventilated to deal with the explosive hydrogen gas which is vented by these batteries during overcharging. The lead-acid battery is also very heavy for the amount of electrical energy it can supply. Despite this, its low manufacturing cost and its high surge current levels make its use common where the weight and ease of handling are not concerns.
A common form of lead-acid battery is the modern car battery. This can deliver about 10,000 watts of power for a short period, and has a peak current output that varies from 450 to 1100 amperes. The battery's electrolyte includes sulfuric acid, which can cause serious injury if splashed on the skin or eyes.
A more expensive type of lead-acid battery called a gel battery (or "gel cell") contains a semi-solid electrolyte to prevent spillage. More portable rechargeable batteries include several "dry cell" types, which are sealed units and are therefore useful in appliances like mobile phones and laptops. Cells of this type (in order of increasing power density and cost) include nickel-cadmium (NiCd), nickel metal hydride (NiMH), and lithium-ion (Li-Ion) cells.
Disposable[]
Non-rechargeable - sometimes called "primary cells".
- Zinc-carbon battery - low cost - used in light drain applications
- Zinc-chloride battery - similar to zinc carbon but slightly longer life
- Alkaline battery - alkaline/manganese "long life" batteries widely used in both light drain and heavy drain applications
- Silver-oxide battery - commonly used in hearing aids
- Lithium battery - commonly used in digital cameras. Sometimes used in watches and computer clocks. Very long life (up to seven years in wristwatches) and capable of delivering high currents but expensive
- Mercury battery - commonly used in digital watches
- Zinc-air battery - commonly used in hearing aids
Rechargeable[]
Also known as secondary batteries or accumulators.
- Lead-acid battery - commonly used in vehicles, alarm systems and uninterruptible power supplies. Used to be used as a "A" or "wet" battery in valve/vacuum tube radio sets.
- Absorbed glass mat
- Gel battery
- Lithium ion battery
- Lithium ion polymer battery
- NaS battery
- Nickel metal hydride battery
- Nickel-cadmium battery - used in many domestic applications but being superseded by Li-Ion and Ni-MH types
- Sodium-metal chloride battery
- Nickel-zinc battery
Homemade cells[]
Almost any liquid or moist object that has enough ions to be electrically conductive can serve as the electrolyte for a cell. As a novelty or science demonstration, it is possible to insert two electrodes into a lemon, potato, glass of soft drink, etc. and generate small amounts of electricity. As of 2005, "two-potato clocks" are widely available in hobby and toy stores; they consist of a pair of cells, each consisting of a potato (lemon, etc.) with two electrodes inserted into it, wired in series to form a battery with enough voltage to power a digital clock. Homemade cells of this kind are of no real practical use, because they produce far less current—and cost far more per unit of energy generated—than commercial cells, due to the need for frequent replacement of the fruit or vegetable.
Traction batteries[]
Traction batteries (secondary batteries or accumulators) are designed to provide power to move a vehicle, such as an electric car or tow motor. A major design consideration is power to weight ratio since the vehicle must carry the battery. To prevent spilling, the electrolyte in traction batteries is gelled. The electrolyte may also be embedded in a glass wool which is wound so that the cells have a round cross-sectional area (AGM-type). The following types are also in use [1]:
- Zebra NiNaCl (or NaNiCl) battery operating at 270 °C requiring cooling in case of temperature excursions
- NiZn battery (higher cell voltage 1.6 V and thus 25% increased specific energy, very short lifespan)
Lithium-ion batteries are now pushing out NiMh-technology in the sector while for low investment costs the lead-acid technology remains in the leading role [2].
- See also: Battery pack
Flow batteries[]
Flow batteries are a special class of battery where additional quantities of electrolyte are stored outside the main power cell of the battery, and circulated through it by pumps or by movement. Flow batteries can have extremely large capacities and are used in marine applications and are gaining populatity in grid energy storage applications.
Common battery sizes[]
Disposable cells and some rechargeable cells come in a number of standard sizes, so the same battery type can be used in a wide variety of appliances. Some of the major types used in portable appliances include the A-series (A, AA, AAA, AAAA), B, C, D, F, G, J, and N, 3R12, 4R25 and variants, PP3 and PP9, and the lantern 996 and PC926. These and less common types are included in the list of battery sizes appearing in the following section (the list can be opened as a separate page as well).
(For list of battery sizes see) [3]
A good cross-reference of different manufacturer's battery and cell designations can be found here [4] and here [5].
History[]
(For history see) [6])
At the end in the 1960s, German researchers invented a gel-type electrolyte lead-acid battery. Duracell was formed in 1964.
Environmental considerations[]
Since their development over 250 years ago, batteries have remained among the most expensive energy sources, and their manufacture consumes many valuable resources and often involves hazardous chemicals. For this reason many areas now have battery recycling services available to recover some of the more toxic (and sometimes valuable) materials from used batteries.
The future[]
Initial research indicates that nanotechnology batteries employing carbon nanotubes will have twice the life of traditional modern batteries.
A new form of battery is in development called Power Paper. This thin, flexible battery comes in the form of ink cells which can be printed on to virtually any surface and produce power.
Future cell management is able to condition one cell while the others are in operation, so a much longer operation is possible.
See also[]
- Memory effect
- List of energy topics
People/inventors[]
- John Frederic Daniell [7]
- Thomas Edison [8]
- Luigi Galvani [9]
- Moritz von Jacobi [10]
- Georges Leclanché [11]
- Slavoljub Penkala [12]
- Nikola Tesla [13]
- Alessandro Volta [14]
Related electrical topics[]
- Potential difference
- Electric vehicle
- Electrical efficiency
- Electricity
- Electrochemical cell
- Electrochemical potential
- Electrochemistry
- Electromotive force
- Electroplating
- Energy storage
- Lead-acid battery
- Local battery
- Power supply
- Direct current
- Solar power
- Renewable energy
- Peukert's Law [15]
Template:Wikibookspar
Template:Wikibookspar
Template:Wikibookspar
Related electronics concepts[]
- Series and parallel circuits
- Secondary cell
- Electrode
- Electrolytic capacitor
- Fuel cell
- Galvanic cell
- Ignition system
- Lemon battery
- Jump start
- Lantern
- Flywheel energy storage
- Rechargeable battery
- Maximum power theorem
- Nernst equation
- Superconducting magnetic energy storage
- Grid energy storage
Chemicals used in construction[]
- Sulfur
- Mercury
- Sulfuric acid
- Zinc
- Ammonium chloride
- Antimony
- Cadmium
- Silver
- Nickel
- Nickel metal hydride
- Lithium
- Hydride
- Cobalt
- Manganese
- Nitroglycerin
- Rubidium
- Thionyl chloride
- Lead
- Titanium
Related inventions[]
- Baghdad Battery
- Voltaic pile
- Timeline of invention
- List of inventors
- Smart Battery Data battery warns device when it is going flat.
- Lithium polymer
Other[]
- Gas-electric hybrid engine
- Hybrid car
- Regenerative braking
- Waste
- CMOS battery
- Battery room
External links[]
- RadioShack Guide to Batteries
- Quick Battery Guide For Robot Creators
- Electrochemistry Encyclopedia NONRECHARGEABLE BATTERIES
- Battery Glossary & Terminology
- Battery Technologies - Directory page covering theory, research and development, and market devices that improve the trend toward clean, renewable energy. (FreeEnergyNews)
- The Microturbine, battery technology as "the Next Big Thing" by Fred Hapgood
- Batteries in a Portable World - A Handbook on rechargeable batteries for non-engineers - Has a comprehensive FAQ section on rechargeable batteries
- Battery Timeline - History of batteries, energy and related technologies
- Mobile phone fuel cells coming in 2007 Infoworld July 13, 2005
- "Battery Resources" of PESWiki, the community-built website dealing with alternative and renewable energy solutions
- A Peukert Calculator spreadsheet
- Practical battery knowledge
| This page uses Creative Commons Licensed content from Wikipedia (view authors). |
|