Rectifier
A rectifier is an electrical device, for converting alternating current to continuous current.
How done[]
AC, half-wave and full wave rectified signals
It is done by using one or more semiconductive devices (such as diodes) arranged in a particular way. When just one diode is used to rectify AC (by blocking the negative or positive portion of the waveform. The difference between the term diode and the term rectifier is merely one of usage, e.g. the term rectifier describes a diode that is being used to convert AC to DC. Rectification is a process whereby alternating current (AC) is converted into direct current(DC). Almost all rectifiers comprise a number of diodes in a specific arrangement for more efficiently converting AC to DC than is possible with just a single diode. Rectification is commonly performed by semiconductor diodes. Before the development of solid state rectifiers vacuum tube diodes were used.
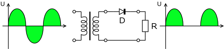
Half-wave rectification[]
In half-wave rectification, either the positive or negative half of the AC wave is passed easily, the other half is blocked. Half wave rectification eliminates one half of the wave, and so is very inefficient. As its title implies, a half wave rectifier allows only one half of the input waveform to reach the output. This may be the positive or the negative half depending on the sense in which the diode is connected. Half wave rectification can be achieved by a single diode in a one phase supply.
Full-wave rectification[]
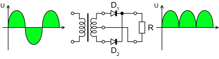
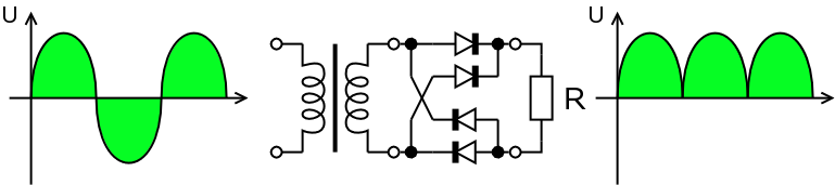
Full-wave rectification converts both polarities of the input waveform to DC, and is more efficient. However, depending on the transformer configuration, it can require four times as many rectifiers as half-wave rectification. This is due to each output polarity requiring 2 rectifiers each, for example, one for when AC 'X' is positive and one for when AC terminal 'Y' is positive. The other DC output requires exactly the same, resulting in four individual junctions (See semiconductors/diode). Four rectifiers arranged this way are called a bridge rectifier.
A full wave rectifier converts the whole of the input waveform to one of constant polarity (positive or negative) at its output by reversing the negative (or positive) portions of the alternating current waveform. The positive (negative) portions thus combine with the reversed negative (positive) portions to produce an entirely positive(negative) voltage/current waveform.
For single phase AC, if the AC is center-tapped, then two diodes back-to-back (i.e. anodes-to-anode or cathode-to-cathode) form a full wave rectifier.
If there is no center tap, then four diodes, arranged in a bridge, are needed.
For three phase AC, six diodes are used. Typically there are three pairs of diodes, each pair, though, is not the same kind of double diode that would be used for a full wave single phase rectifier. Instead the pairs are in series (anode to cathode). Typically, commercially available double diodes have four terminals so the user can configure them as single phase split supply use, for half a bridge, or for three phase use.
Applications[]
Three Phase Bridge Rectifier.
One type of single Rectifier
AC is used for current transmission because it can easily be stepped up or down in voltage by a simple transformer. High voltage power lines transmit the same power at lower current (which causes lower heat) and it is then stepped down by substation transformers to the more manageable voltages. Converting the voltage level of DC is much more complicated. One method is actually to convert to AC (using a device called an inverter), use a transformer to change the voltage, and then rectify it back to DC. DC is a requirement of the internal circuits of many everyday electrical and electronic items. Computers, telephones, television sets, clocks, solid state lighting, etc., are all designed to run on DC.
Rectifier output smoothing[]
While half- and full-wave rectification suffices to deliver a form of DC output, neither produces steady DC. In order to produce 'steady' DC from a rectified AC supply, a smoothing circuit is required. In its simplest form this can be what is known as a reservoir capacitor or smoothing capacitor, placed at the DC output of the rectifier. There will still remain an amount of AC ripple voltage where the voltage is not completely smoothed.
To further reduce this ripple, a capacitor-input filter can be used. This complements the reservoir capacitor with a choke and a second filter capacitor, so that a steady DC output can be obtained across the terminals of the filter capacitor. The choke effectively presents a high impedance to the ripple current.
Rectification efficiency[]
Rectification efficiency measures how efficiently a rectifier converts AC to DC. It is defined as the ratio of the DC output power to AC input power, where DC output power is a product of the average current and voltage. A simpler way to calculate efficiency is with .
Without smoothing, full-wave rectifiers have or 81% efficiency. Half-wave rectifiers have or 40.5% efficiency.
See also[]
- Mercury arc valve
- Diode
- Metal rectifier
- Inverter (electrical)
- Symbols
| This page uses Creative Commons Licensed content from Wikipedia (view authors). |
|


